Hidroefe

HİDROLİK DEVRE ŞEMALARI

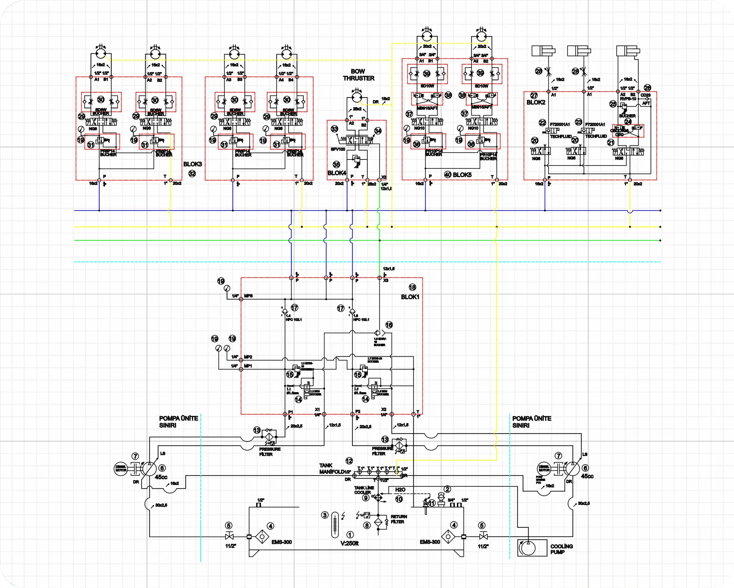
Hidrolik devre şeması, bir hidrolik sistemdeki bileşenlerin ve bağlantılarının grafiksel temsili olarak kullanılır. Devre şeması, pompalar, valfler, silindirler, motorlar, depolar ve bağlantı hatları gibi unsurların yerleşimini ve işlevini gösterir. Bu şema, sistemin çalışma prensibini anlamak, tasarlamak ve inşa etmek için temel bir araçtır. Devre şeması, farklı bileşenler arasındaki ilişkiyi açıklar, akış yollarını gösterir ve hidrolik akışkanın nasıl yönlendirildiğini görsel olarak gösterir. Bu sayede sistem performansı optimize edilebilir, verimlilik artırılabilir ve olası hatalar önceden tespit edilebilir. Hidrolik devre şeması, endüstriyel otomasyon, tarım, inşaat ve taşımacılık gibi birçok alanda kullanılarak karmaşık hidrolik sistemlerin tasarım ve bakım süreçlerini kolaylaştırır.

Hidrolik Sistem ve Projelendirme Hizmetleri

Hidroefe Hidrolik olarak, endüstriyel tesisler ve iş makineleri için hidrolik sistem tasarımı, projelendirme, devre şeması çizimi ve sistem mühendisliği konularında profesyonel çözümler sunuyoruz. Uzman mühendis kadromuz ile, projeye özel hidrolik ekipman seçimi, sistemin tüm detaylarını içeren teknik hidrolik devre şemaları ve sahada uygulanabilir montaj planları hazırlıyoruz.

İthal ve yerli ürün portföyümüzle; hidrolik valfler, akümülatörler, pompa ve motorlar, hidrolik silindirler gibi tüm bileşenlerin doğru seçimini yaparak, sistemin maksimum verimlilikle çalışmasını sağlıyoruz. Projelendirme sürecinden sonra, sahada titizlikle yapılan montaj ve borulama işlemleri, sistemin sağlıklı çalışması için en ince ayrıntısına kadar kontrol edilir. Tüm projelerde, sistemin ilk devreye alınması, test edilmesi ve ayarlanması işlemleri de firmamız tarafından gerçekleştirilir.

Hidroefe olarak, hidrolik projelendirme, hidrolik devre çizimi, sistem kurulumu ve devreye alma süreçlerinde yılların verdiği tecrübemizle güvenilir iş ortağınız olmaktan gurur duyuyoruz.

Hidrolik Devre Şeması Çizimi ve Hidrolik Sistem Tasarımı: Verimli ve Güvenli Çözümler

Hidrolik devre şeması çizimi, bir hidrolik sistemin tüm bileşenlerinin ve akış yollarının görsel olarak ifade edildiği en kritik aşamalardan biridir. Bu teknik çizim, sistemin nasıl çalışacağını anlamak, doğru tasarımı yapmak ve uygulamaya geçmek için vazgeçilmez bir araçtır.

Hidrolik devre tasarım süreci, öncelikle sistemin ihtiyaçlarının ve amaçlarının detaylı analiziyle başlar. Ardından, gerekli hidrolik ekipmanlar (pompa, valf, silindir, hidrolik motor vb.) belirlenir ve bu bileşenlerin yerleşimi, devre üzerindeki bağlantılarıyla birlikte şemaya aktarılır. Bu sayede basınç kontrolü, akış yönlendirme, ve enerji dönüşümleri gibi tüm fonksiyonlar net bir şekilde ortaya konulur.

Doğru hazırlanmış bir hidrolik devre çizimi, sistemin hatalarını önceden tespit etmeye, montaj sürecini kolaylaştırmaya ve bakım işlemlerini daha etkin hale getirmeye yardımcı olur. Ayrıca, sistemin güvenli, verimli ve uzun ömürlü çalışmasını garanti altına alır. Endüstriyel makineler, iş makineleri, taşıma sistemleri ve daha birçok alanda kullanılan bu şemalar, profesyonel bir hidrolik proje planlamasının temelini oluşturur.

Hidroefe olarak, uzman ekibimizle birlikte sektöre özel hidrolik proje çözümleri, devre şeması çizimi, doğru hidrolik ekipman kullanımı, montaj ve sistem devreye alma süreçlerinde sizlere profesyonel destek sunuyoruz.

Hidrolik Devre Şeması Tasarımı: Verimli ve Güvenilir Sistemler İçin Temel Adım

Hidrolik devre şeması çizimi, bir hidrolik sistemin tüm bileşenlerinin ve akış yollarının görsel olarak ifade edildiği en kritik aşamalardan biridir. Bu teknik çizim, sistemin nasıl çalışacağını anlamak, doğru tasarımı yapmak ve uygulamaya geçmek için vazgeçilmez bir araçtır.

Hidrolik devre tasarım süreci, öncelikle sistemin ihtiyaçlarının ve amaçlarının detaylı analiziyle başlar. Ardından, gerekli hidrolik ekipmanlar (pompa, valf, silindir, hidrolik motor vb.) belirlenir ve bu bileşenlerin yerleşimi, devre üzerindeki bağlantılarıyla birlikte şemaya aktarılır. Bu sayede basınç kontrolü, akış yönlendirme, ve enerji dönüşümleri gibi tüm fonksiyonlar net bir şekilde ortaya konulur.

Doğru hazırlanmış bir hidrolik devre çizimi, sistemin hatalarını önceden tespit etmeye, montaj sürecini kolaylaştırmaya ve bakım işlemlerini daha etkin hale getirmeye yardımcı olur. Ayrıca, sistemin güvenli, verimli ve uzun ömürlü çalışmasını garanti altına alır. Endüstriyel makineler, iş makineleri, taşıma sistemleri ve daha birçok alanda kullanılan bu şemalar, profesyonel bir hidrolik proje planlamasının temelini oluşturur.

Hidroefe olarak, uzman ekibimizle birlikte sektöre özel hidrolik proje çözümleri, devre şeması çizimi, doğru hidrolik ekipman kullanımı, montaj ve sistem devreye alma süreçlerinde sizlere profesyonel destek sunuyoruz.

Hidrolik Sistem Projelendirme

Hidrolik Sistem Projelendirme, Ar-Ge ve Mühendislik Hizmetlerimiz

Hidrolik Devre Tasarımı
Sistem ihtiyaçlarına özel olarak hazırlanan hidrolik devre şemalarıyla verimli ve güvenli çözümler sunuyoruz.
Bileşen Seçimi ve Uygulama
Pompa, valf, silindir ve akümülatör gibi bileşenlerin doğru seçimiyle maksimum performans sağlıyoruz.
Ar-Ge ve Sistem Geliştirme
Yeni nesil hidrolik teknolojileri kullanarak özgün, test edilmiş ve geliştirilmiş sistemler tasarlıyoruz.
Montaj ve Devreye Alma
Sistemlerin sahada kurulumu, devreye alınması ve test süreçleri uzman kadromuz tarafından yapılır.
Güvenlik ve Stabilite Analizi
Her projede güvenlik, bakım kolaylığı ve sistem stabilitesi ön planda tutulur.
Proje Dökümantasyonu
Tüm sistemlerin detaylı teknik dökümantasyonu hazırlanır, müşteriyle şeffaf paylaşılır.